INFO@MEHPRIVOD.RU
ООО Мехтехника
Тел.: 8 (800) 505-36-88

Электродвигатели Siemens типа 1LA9

Электродвигатели Siemens типа 1LA9

Работа электродвигателя и другие особенности модели Siemens 1LA9: агрегаты с повышенной мощностью,производятся мощностью от 0,14 до 24,5 кВт, габаритами с 56 по 160. Данный тип оборудования относится к агрегатам высокой мощности, выполненным в надежном алюминиевом корпусе. К достоинствам электродвигателей относится не только фактор экономии электроэнергии, но и длительный срок эксплуатации, низкие шумовые показатели при работе, повышенная перегрузочная способность и улучшенный принцип системы охлаждения. Все эти моменты позволили пользователям получать КПД электродвигателей на 1,5-42% выше, чем ожидалось. Технологические разработки Siemens гарантируют бесперебойность и беспроблемность работы оборудования.

Цена: от 4 330 руб.

Общее описание:

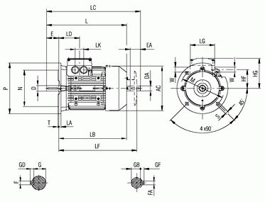
Габаритные и присоединительные размеры электродвигателя 1LA9 с 56 по 90 габарит (IMB3-лапы)

РИС 1. Габаритные и присоединительные размеры электродвигателя 1LA9 с 56 по 90 габарит (IMB3-лапы)

Н ТИП A AA AB AC B B1 BB C CA CA1 HA HD HF K KA

56M

1LA9050

90

25

110

116

71

-

87

36

53

-

56

6

157

77.5

9

63M

1LA9060

100

27

120

118

80

-

96

40

66

-

63

7

164

77.5

10

63M

1LA9063

92

-

71M

1LA9070

112

30.5

132

139

90

-

106

45

83

-

71

7

182

87.5

10

80M

1LA9080

125

30.5

150

156.5

100

-

118

50

94

-

80

8

200

96.5

3.5

80M

1LA9083

136.5

-

90S

1LA9090

140

30.5

165

173.6

100

125

143

56

143

118

90

10

218

104.5

14

90L

1LA9096

186

161

90L

1LA9099-8

186

161

ТАБЛИЦА 1.

Н ТИП L LC LD LG LK W1/W2 W2 D DA E EA F FA G GB GD GF

56M

1LA9050

169.5

200

69.5

75

32

M16/M25

9

9

20

20

3

3

7.2

7.2

3

3

63M

1LA9060

202.5

232

69.5

75

32

M16/M25

11

11

23

23

4

4

8.5

8.5

4

4

63M

1LA9063

228.5

258

71M

1LA9070

240

278

63.5

75

32

M16/M25

14

14

30

30

5

5

11

11

5

5

80M

1LA9080

273.5

324

63.5

75

32

M16/M25

19

19

40

40

6

6

15.5

15.5

6

6

80M

1LA9083

315

366.5

90S

1LA9090

331

389

79

75

32

M16/M25

24

19

50

50

8

6

20

15.5

7

6

90L

1LA9096

374

432

90L

1LA9099-8

374

432

ТАБЛИЦА 2.

Габаритные и присоединительные размеры электродвигателя 1LA9 с 56 по 90 габарит (IMB5-фланец)

ТИП Типоразмер AC HF HG L LA LB LC LD LF LG LK M N

1LA905

56M

FF110

116

77.5

101

169

8

149

200

69.5

-

75

32

100

80

1LA9060

63M

FF115

 

118

77.5

101

202.5

8

179.5

232

69.5

208.5

75

32

115

95

1LA9063

63M

228.5

205.5

258

234.5

1LA9070

71M

FF130

139

87.5

111

240

9

210

278

63.5

239

75

32

130

110

1LA9080

80M

FF165

156.5

96.5

120

273.5

10

233.5

324

63.5

262.5

75

32

165

130

1LA9083

80M

316

276

366.5

305

1LA9090

90S

FF165

173.6

104.5

128

331

10

281

389

79

333

75

32

165

130

1LA9096

90L

374

324

432

376

1LA9099-8

90L

374

324

432

376

ТАБЛИЦА 3.

ТИП Н P S T W1/W2 W2 D DA E EA F FA G GB GD GF

1LA905

56M

120

7

3

M16/M25

9

9

20

20

3

3

7.2

7.2

3

3

1LA9060

63M

140

10

3

M16/M25

11

11

23

23

4

4

8.5

8.5

4

4

1LA9063

63M

1LA9070

71M

160

10

3.5

M16/M25

14

14

30

30

5

5

11

11

5

5

1LA9080

80M

200

12

3.5

M16/M25

19

19

40

40

6

6

15.5

15.5

6

6

1LA9083

80M

1LA9090

90S

200

12

3.5

M16/M25

24

19

50

40

8

6

20

15.5

7

6

1LA9096

90L

1LA9099-8

90L

ТАБЛИЦА 4.

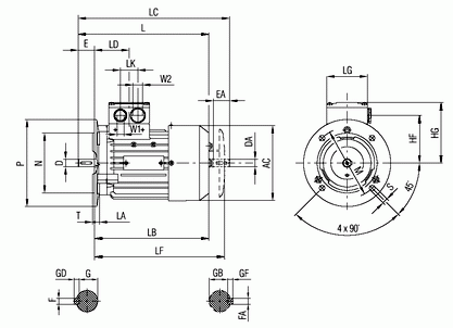
Габаритные и присоединительные размеры электродвигателя 1LA9 с 100 по 160 габарит (IMB3-лапы)

РИС 3. Габаритные и присоединительные размеры электродвигателя 1LA9 с 100 по 160 габарит (IMB3-лапы)

Н ТИП A AA AB AC B BB C CA D DA H HA HD HF K KA

100L

1LA910

160

42

196

196

140

176

63

178

28

24

100

12

235

78

12

16

112M

1LA9113

190

46

226

220

140

176

70

179

179

141

28

24

112

12

260

91

12

16

112M

1LA9115-2

112M

1LA9115-6.-8

132S

1LA9130

216

53

256

259

140

178

140

178

178

180

218

180

218

218

89

163

125

205

167

167

38

38

132

15

299

107

12

16

132M

1LA9135-8

132S

1LA9131

132M

1LA9133

132M

1LA9135-2.-4

160M

1LA9163

254

60

300

314

210

210

254

256

256

300

108

183

183

179

42

42

160

18

357

127

12

19

160M

1LA9164

160L

1LA166

ТАБЛИЦА 5.

Н ТИП L LC LD LG LK W W2 E EA F FA G GB GD GF

100L

1LA910

425

491

102

120

42

32.3

60

50

8

8

24

20

7

7

112M

112M

112M

1LA9113

1LA9115-2

1LA9115-6.-8

431

431

393

499

 

461

102

120

42

32.3

PRO M32

60

50

8

8

24

20

7

7

132S

132M

132S

132M

132M

 

1LA9130

1LA9135-8

1LA9131

1LA9133

1LA9135-2.-4

 

454

454

496

496

496

552

 

594

594

594

18

140

42

32.3

PRO M32

80

80

10

10

33

33

8

8

160M

160M

160L

1LA9163

1LA9164

1LA166

588

588

628

721

 

761

160.5

165

54

40.3

PRO M40

110

110

12

12

37

37

8

8

ТАБЛИЦА 6.

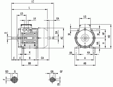
Габаритные и присоединительные размеры электродвигателя 1LA9 с 100 по 160 габарит (IMB5-фланец)

РИС 4. Габаритные и присоединительные размеры электродвигателя 1LA9 с 100 по 160 габарит (IMB5-фланец)

ТИП Типоразмер AC HF HG L LA LB LC LD LF LG LK M N

100L

1LA910

FF215

196

78

135

425

11

365

491

102

416

120

42

215

180

112M

112M

112M

1LA9113

1LA9115-2

1LA9115-6.-8

FF215

219.5

91

148

431

431

393

11

371

371

333

499

 

461

102

423

423

385

120

42

215

180

132S

132M

132S

132M

132M

1LA9130

1LA9135-8

1LA9131

1LA133

1LA9135-2.-4

FF265

259

107

167

454

454

496

496

496

12

374

374

416

416

416

552

 

594

594

594

128

426

426

468

468

468

140

42

265

230

 

160M

160M

160M

 

1LA9163

1LA9164

1LA9166

FF300

314

127

197

588

588

628

13

478

478

518

721

 

761

160.5

531

531

571

165

54

300

250

ТАБЛИЦА 7.

ТИП Н P S T W W2 D DA E EA F FA G GB GD GF

1LA910

100L

250

14.5

4

32.3

28

24

60

50

8

8

24

20

7

7

1LA9113

1LA9115-2

1LA9115-6.-8

112M

112M

112M

250

14.5

4

32.3

32.3

Pro M32

28

24

60

50

8

8

24

20

7

7

1LA9130

1LA9135-8

1LA9131

1LA9133

1LA9135-2.-4

132S

132M

132S

132M

132M

300

14.5

4

32.3

32.3

32.3

32.3

Pro M32

38

38

80

80

10

10

33

33

8

8

1LA9163

1LA9164

1LA9166

160M

160M

160L

350

18.5

5

40.3

40.3

Pro M40

42

42

110

110

12

12

37

37

8

8

ТАБЛИЦА 8.

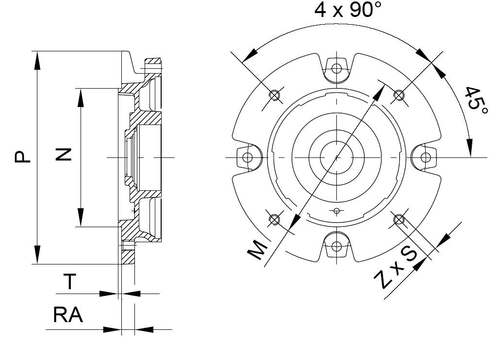
Размеры для габарита 56-80 (IMB14 - меньший)

РИС 5. Размеры для габарита 56-80 (IMB14 - меньший)

Типоразмер M N P RA S T Z

56

FT65

65

50

80

46

M5

2.5

4

63

FT75

75

60

90

14

M5

2.5

4

71

FT85

85

70

105

16

M6

2.5

4

80

FT100

100

80

120

16

M6

3

4

ТАБЛИЦА 9.

Размеры для габарита 56-80 (IMB14 - больший)

РИС 6. Размеры для габарита 56-80 (IMB14 - больший)

Типоразмер M N P RA S T Z

56

FT85

85

70

105

16

M6

2.5

4

63

FT100

100

80

120

16

M6

3

4

71

FT115

115

95

140

16

M8

3

4

80

FT130

130

110

160

16

M8

3,5

4

ТАБЛИЦА 10.

Размеры для габарита 90-100 (IMB14 - меньший)

РИС 7. Размеры для габарита 90-100 (IMB14 - меньший)

Типоразмер M N P RA S T Z

90

FT115

115

95

140

21

M8

3

4

100

FT130

130

110

160

20

M8

3.5

4

ТАБЛИЦА 11.

Размеры для габарита 90-100 (IMB14 - больший)

РИС 8. Размеры для габарита 90-100 (IMB14 - больший)

Типоразмер M N P RA S T Z

90

FT130

130

110

160

22

M8

3.5

4

100

FT165

165

130

200

-

M10

3.5

4

ТАБЛИЦА 12.

Размеры для габарита 112-160 (IMB14 - меньший)

РИС 9. Размеры для габарита 112-160 (IMB14 - меньший)

Типоразмер M N P RA S T Z

112

FT130

130

110

160

20

M8

3.5

4

132

FT165

165

130

200

24

M10

3.5

4

160

-

-

-

-

-

-

-

-

ТАБЛИЦA 13

Размеры для габарита 112-160 (IMB14 - больший) А 14.

РИС 10. Размеры для габарита 112-160 (IMB14 - больший)

Типоразмер M N P RA S T

112

FT165

165

130

200

20

M10

3.5

132

-

-

-

-

-

-

-

160

-

-

-

-

-

-

-

ТАБЛИЦА 14.

Технические характеристики 1LA9