INFO@MEHPRIVOD.RU
ООО Мехтехника
Тел.: 8 (800) 505-36-88

Логический модуль с дисплеем Siemens LOGO! 24RC

Логический модуль с дисплеем Siemens LOGO! 24RC

Характеристики модуля LOGO! 24RC 6ED1052-1HB00-0BA6:

  • Характеристики питания: 24В;
  • Дискретные входы: 8
  • Дискретные выходы: 4 (нормально разомкунутые реле);
  • Особенности памяти: 200 блоков;
  • Дополнительные возможности: расширение функционального потенциала модулями ввода/вывода.

Цена: от 4 326 руб.

Общее описание

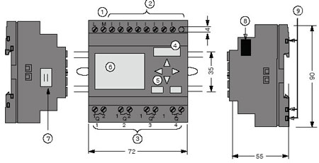
Устройство LOGO! 24RC:

Устройство LOGO!24RC

  • 1 - источник питания
  • 2 - входы
  • 3 - выходы
  • 4 - гнездо под модуль, оснащенный крышкой
  • 5 - панель, посредством которой реализуются опции управления
  • 6 - дисплей
  • 7 - разъем для кабеля типа LOGO!TD
  • 8 - интерфейс расширения
  • 9 – опции механического кодирования - гнёзда

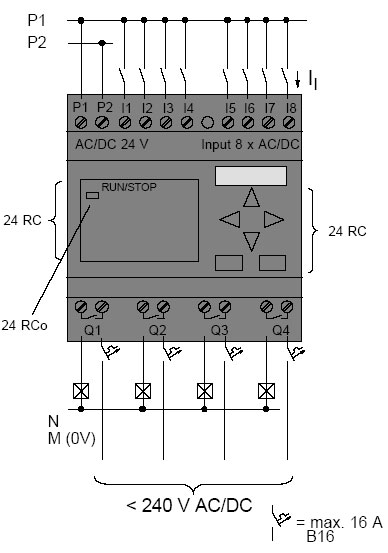
Схема подключения и максимальная конфигурация LOGO!24RC

Схема подключения LOGO!24

Оборудование с заказным номером 6ED1052-1HB00-0BA6 поддерживает 24 цифровых входов, 8 аналоговых входов, а также 16 цифровых и 2 аналоговых выхода. Для достижения параметров, характерных для максимальной конфигурации, используют нижеприведенную методику:

  • Максимальная конфигурация с аналоговыми входами – 4входа (LOGO!12/24RC/RCo и LOGO!24/24o)

Максимальная конфигурация LOGO!RC

  • Максимальная конфигурация модулей LOGO! с аналоговыми входами (используется 2 входа (LOGO! 12/24 RC/RCo и LOGO !24/24o).

Максимальная конфигурация модуля LOGO!24RC

  • Максимальная конфигурация модулей данного класса LOGO! без аналоговых входов (LOGO! 24RC/RCo, а также LOGO! 230 RC/RCo)

Максимальная конфигурация модулей LOGO!

Специфика монтажа модуля LOGO!24RC

Монтаж модуля LOGO!24

Монтаж модуля LOGO!24

Поэтапный монтаж на DIN-рейку:

  • 1. На первом этапе осуществления монтажных работ следует навесить модуль LOGO! 24RC на рейку;
  • 2. Путем нажимания на нижнюю часть, срабатывает специальная защелка модуля, выполняется надежная его фиксация (защелка расположена на задней части прибора);
  • 3. С правой стороны модуля находится крышка разъема, которую необходимо снять;
  • 4. С правой стороны от LOGO!Basic помещается модуль на DIN-рейку;
  • 5. Перемещаем модуль в левую сторону таким образом, чтобы последний контактировал с LOGO!Basic;
  • 6. Посредством отвертки защелка отодвигается влево, после чего она должна занять крайнее левое положение.

Монтаж дополнительного оборудования выполняется путем поэтапного повторения всех пунктов, относящихся к монтажу цифрового модуля.

Поэтапный монтаж на стену:

Аккуратно переместите монтажные защелки наружу, как правило, они расположены на задней стенки устройства. Непосредственно монтаж модуля выполняется при помощи двух монтажных защелок и двух винтов ØM4 (момент затяжки 0,8-1,2Нм).

Технические характеристики LOGO!24RC:

Блок питания:
Входное напряжение 24В переменный / постоянный ток
Допустимый диапазон 20,4...26,4В переменный ток
20,4...28,8В постоянный ток
Допустимая частота сети 47...63Гц
Потребление тока - 24В переменный ток - 24В постоянный ток 40...110мА 20...75мА
Буферизация исчезновения напряжения тип. 5мс
Потери мощности • 24 В переменный ток
• 24 В постоянный ток
0,9...2,7Вт
0,4...1,8Вт
Буферизация часов в условиях 25°C тип. 80час.
Показатели точности часов реального времени тип. ±2с/день
Цифровые входы:
Количество 8, на выбор включение на P /на N
Потенциальная развязка Нет
Входное напряжение L
• Сигнал 0
• Сигнал 1
< 5В переменного/постоянного тока
> 12В переменного/постоянного тока
Входной ток при
• сигнале 0
• сигнале 1
< 1,0мА
> 2,5мА
Время задержки при
• переходе с 0 на 1
• переходе с 1 на 0
тип. 1,5мс
тип. 15мс
Длина линии (неэкранированной) 100м
Цифровые выходы:
Количество 4
Тип выходов Релейные выходы
Потенциальная развязка да
Управление цифровым входом да
Длительный ток Ith 10A на реле (max)
Нагрузка из ламп накаливания (25000 циклов переключения) 1000Вт
Люминесцентные лампы с дросселем (25000 циклов переключения) 10 x 58Вт
Люминесцентные лампы с обычной компенсацией
(25000 циклов переключения)
1 x 58Вт
Люминесцентные лампы, некомпенсированные (25000 циклов переключения) 10 x 58Вт
Понижение номинала нет; во всем диапазоне температур
Устойчивость к коротким замыканиям при cos = 1 Защита по питанию B16, 600A
Устойчивость к коротким замыканиям при cos от 0,5 до 0,7 Защита по питанию B16, 900A
Параллельное включение выходов для увеличения мощности Не допускается
Защита выходного реле (при необходимости) макс. 16 A, характеристика B16
Частота включений:
механическая 10Гц
омическая/ламповая нагрузка 2Гц
индуктивная нагрузка 0,5Гц