INFO@MEHPRIVOD.RU
ООО Мехтехника
Тел.: 8 (800) 505-36-88

Рельсовые направляющие SNE серии SG

Рельсовые направляющие SNE серии SG

Рельсовые линейные направляющие имеют ряд преимуществ, которые выгодно отличают данный тип оборудования от подобных приспособлений. Кроме объективной стоимости, рельсовые направляющие характеризуются надежностью и точностью изготовления, которые далеко не всегда присущи подобному оборудованию. Жесткая структура направляющей позволяет использовать ее в условиях, где применение других механизмов будет не только не рентабельным, но и не целесообразным с позиции удобства и эргономики.

Цена: от 4 160 руб.

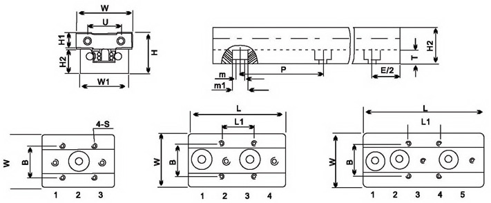
Общее описание

Характеристики рельсовых направляющих SNE серии SG

Характеристики рельсовых направляющих SNE серии SG

 

5мм

6мм

8мм

12мм

SGB

15N, N

20N, 20

25

35

OSGB

20

25

30

40

 

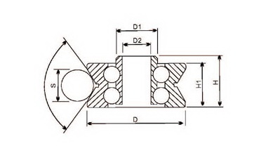
H

H1

ФS

ФD

ФD2

5мм

9.75

8

6

17

5

6мм

12.75

11

8

24

6

8мм

15.5

14

10

30

8

12мм

22

19

12

42

12

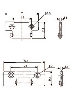
SGB

W

L3

H3

15

45

26

23

15N

35

26

23

20

59

38.38

25.5

20N

46

25.38

25.5

25

69

40.23

32.5

35

99

48.5

41.5

OSG

W3

H3

L3

T3

ФU

OSG

59

22

38

3

5.5

OSG

79

24.5

51

3

6.5

OSG

99

31.5

61

4

6.5

OSG

129

40

84

4

6.5

Рельсовые направляющие

Рельсовые направляющие SNE серии SG

SGR

SGB

OSGR

OSGB

H

W

W1

Н2

dp

p

*

k/m

T

m1

m

W

H1

L

B

L1

S

U

K

(N)

(N.M)

(gf/m)

Yo

Zo

Mxo

Mуo

Mzo

15N

-3

32

44

38

18.5

6

120

6

1.651

7

8

4.5

44

12

60

26

26

M5

3

2

490

460

10.2

9.2

9.8

1846

-4

80

4

1.3

700

660

14.5

13.2

14

2146

-5

100

5

1.2.4

980

920

20.3

37

39

2216

15

-3

32

46

46

18.5

6

120

6

1.764

7

8

4.5

46

12

52

32

36

M5

3

2

490

460

13.8

7.4

7.8

2306

-4

72

4

1.3

700

660

19.8

21.1

22.4

2366

-5

86

5

1.2.4

980

920

27.7

44.3

47

2426

20N

-3

35

47

47

22.5

8

120

8

2.247

8

9.5

5.5

46

12

80

38

30

M6

3

2

490

460

29.4

25.4

18.2

2739

-4

106

4

1.3

700

660

42

72.8

52

2799

-5

132

5

1.2.4

980

920

84.2

129

92.4

2859

20

-3

35

60

60

22.5

6

120

8

2.744

8

9.5

5.5

60

12

76

50

40

M6

3

2

490

460

42.1

21.5

15.4

35.68

-4

100

4

1.3

700

660

60.2

61.6

44

3628

-5

120

5

1.2.4

980

920

84.2

129

92.4

3688

25

-3

44

70

70

26

7

120

10

3.873

9

11

6.5

70

15

100

57

45

M8

3

2

490

460

67.62

48.51

41.58

4909

-4

133

4

1.3

700

660

96.6

138.6

118.8

5009

-5

166

5

1.2.4

980

920

135.0

291.06

249.48

5109

35

-3

55

100

100

35

8.5

160

12

6.442

11

14

8.5

100

18

140

82

62

M12

3

2

490

460

159.6

125

128

8243

-4

185

4

1.3

700

660

228

360

360

8643

-5

230

5

1.2.4

980

920

319.2

758

756

9043