INFO@MEHPRIVOD.RU
ООО Мехтехника
Тел.: 8 (800) 505-36-88

Редуктор червячный одноступенчатый 1Ч-160

Редуктор червячный одноступенчатый 1Ч-160

Существует широкий перечень преимуществ, которыми наделен редуктор червячный, купить его можно по доступной цене, что также относится к достоинствам этого устройства. Редуктор 1ч-160 общепромышленного назначения может быть установлен на вал машины, механизма, оборудования, которое будет приведено в движение. Данное условие достижимо в том случае, если вал выполнен в соответствии с заданными параметрами полой шлицевой втулки. Соединение будет свободным, что исключает риск перекоса втулки относительно приводимого в движение шлицевого вала механизма. Также при этом снижается общая масса редуктора и падает стоимость привода по причине того, что отпадает необходимость наличия на выходе муфты. Особенности смазки червячного зацепления - картерная непроточная.

Цена: от 21 500 руб.

Скачать прайс: xls zip

  • Номинальные передаточные значения — 8; 10; 12.5; 16; 20; 25; 31.5; 40; 50; 63; 80;
  • Показатели/частота вращения вала — 1500об/мин;
  • Номинальный крутящий момент (min/max) — 1480… 2460 H•м;
  • Габаритные размеры LxBxH — 505ммх420ммх465мм;
  • Масса редуктора — 120кг

Базовые условия использования редукторов:

  • Характер и особенности нагрузки: постоянная/переменная, одного направления/реверсивная;
  • Режимы эксплуатации: постоянная работа/с периодическими остановами;
  • Вращение валов: в оба направления;
  • Температурные показания среды: от -40°С до +50°С;
  • Характер среды использования: неагрессивная, невзрывоопасная.

Общее описание:

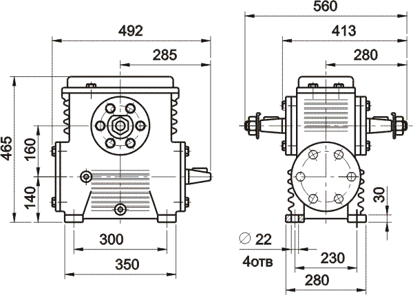
Исполнение редуктора с верхней крышкой

РИС 1. Исполнение редуктора с верхней крышкой

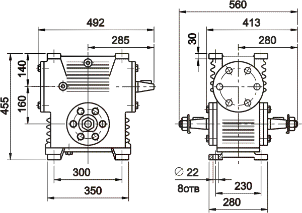
Исполнение редуктора с крышкой-лапой

РИС 2. Исполнение редуктора с крышкой-лапой

Исполнение валов

РИС 3-А.

Исполнение валов

РИС 3-Б.
Исполнение валов. (3-А — входной вал; 3-Б — выходной вал.)

Технические характеристики червячного редуктора 1Ч-160

Передаточное число номинальное 8 10 12,5 16 20 25 31,5 40 50 63 80
Частота вращения вх.вала, об/мин. 1500
Номинальный крутящий момент на вых.валу, Н•м  1860   1760   1670   2190   1860   1860   2460   2080   1860   1760   1480 
Подводимая расчётная мощность, кВт. 37,1 28,3 21,8 22,5 15,7 12,9 14,1 9,7 7,3 5,7 3,9
КПД, % 94 93 92 91 89 86 83 80 76 73 71
Допускаемая радиальная нагрузка, Н вх.вал 1200
вых.вал 12150
Корригированный уровень зв.мощности, ДБА 94
Масса, кг не более 120
Номинальный крутящий момент на выходном валу дан при повторно-кратковременном режиме при ПВ 40%

Варианты сборки червячного редуктора 1Ч-160

РИС 4-А.

Варианты компоновки редуктора 1Ч-160

РИС 4-Б.
Варианты компоновки редуктора (4-А, 4-Б)

Пример условного обозначения редуктора в заказе:

Редуктор 1Ч-160-32-51-11-У2 или 1Ч-160-32-51-22-У2, где:

  • 1Ч — типоразмер редуктора
  • 160 — межосевое расстояние, мм.
  • 32 — передаточное число
  • 51 — вариант сборки
  • 11 — вариант исполнения с верхней крышкой; 22 — вариант исполнения с крышкой-лапой
  • У — климатическое исполнение
  • 2 — вариант размещения