INFO@MEHPRIVOD.RU
ООО Мехтехника
Тел.: 8 (800) 505-36-88

Устройства плавного пуска PROSTAR серии PRS2

Устройства плавного пуска PROSTAR серии PRS2

Устройство плавного пуска  PROSTAR предназначено для ограничения пускового момента, плавного пуска и торможения асинхронных двигателей. С помощью упп PROSTAR можно улучшить пусковые характеристики асинхронных двигателей также обеспечить контролируемый, безударный, плавный пуск, позволяя при этом исключить механические удары.  Цифровая система управления отслеживает процесс работы, как на время пуска, так и на время перехода на шунтирующий контактор. Силовая часть упп изготовлена на базе трех симисторов известных европейских производителей полупроводниковой техники и имеет трехкратный запас по току. Также упп  PROSTAR имеет функцию ограничения пускового тока, которая автоматически увеличивает время разгона или остановки,  чтобы не превысить заданную величину. Не маловажный фактор в пользу выбора устройства плавного пуска PROSTAR это встроенная панель управления с ЖК экраном, где отображаются различные параметры работы электродвигателя (ток, напряжение, время разгона и остановки и т.д.). Цены на упп Вас  приятно удивят при этом качество упп превосходное.

Цена: от 8 810 руб.

УПП PRS2 – Руководство по эксплуатации.pdf

Сертификат

Устройства плавного пуска PRS2 с успехом выполняют следующие функции:

  • Контролируемый запуск электродвигателя
  • Контролируемая остановка электродвигателя
  • Электронная защита электродвигателя как в процессе запуска, так и в длительном режиме

Общее описание

Основные параметры УПП

Питающее напряжение U (3ф)

380 В ± 15%

Частота

50 Гц

Применяемые моторы

Асинхронные с коротко замкнутым ротором

Диапазон подключаемых электродвигателей

11 – 500 кВт

Частота пусков

Не более 20 раз в час

Степень защиты

IP20

Стойкость к вибрациям

Высота до 3000м, вибрационное усилие до 0.5g

Температура эксплуатации

-15...+40 без потери мощности
+40…+60 при повышении на 1 градус снижение тока на 1,2%

Окружающая влажность воздуха

95% без  образования конденсата

Максимальная рабочая высота

Без потерь мощности на высоте до 1000 м
(выше 1000 м, падение тока 0.5% на каждые 100 м)

Система охлаждения

Естественное

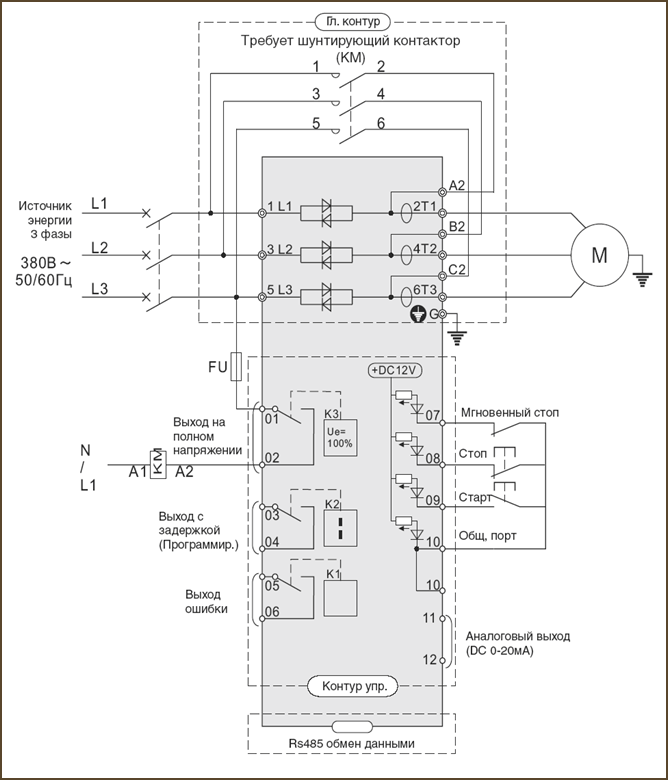
Схема подключения УПП

СХЕМА ПОДКЛЮЧЕНИЯ УПП

Информация для заказа УПП

ЭЛЕКТРОДВИГАТЕЛЬ

УПП

Мощнность (кВт)

Ток (А)

Модель

15

28

PRS2 015

18.5

34

PRS2 018

22

42

PRS2 005

30

54

PRS2 030

37

68

PRS2 037

45

80

PRS2 045

55

98

PRS2 055

75

128

PRS2 075

90

160

PRS2 090

115

190

PRS2 115

132

236

PRS2 132

160

290

PRS2 160

200

367

PRS2 200

250

430

PRS2 250

280

470

PRS2 280

320

547

PRS2 320

400

725

PRS2 400

500

915

PRS2 500

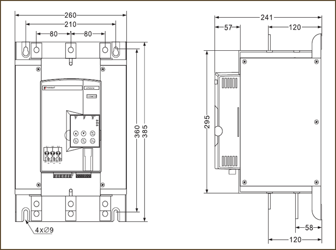
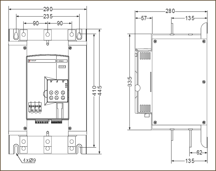
Габаритные и присоединительные размеры УПП

ГАБАРИТНЫЕ И ПРИСОЕДИНИТЕЛЬНЫЕ РАЗМЕРЫ УПП

Устройства PRS2 005 … PRS 075

Устройства PRS 090 … PRS 200

Устройства PRS 090 … PRS 200

Устройства PRS 250 … PRS 500

Устройства PRS 250 … PRS 500

Электродвигатель УПП Шунтирующий контактор
Мощнность (кВт) Ток (А) Модель Масса, кг Стоимость, руб. с НДС Модель Ток (А) Стоимость, руб. с НДС
15 28 PRS2 015 4,39 8700 NLC1-D032 32 700
18,5 34 PRS2 018 4,39 9080 NLC1-D040 40 900
22 42 PRS2 022 5,14 9500 NLC1-D050 50 1000
30 54 PRS2 030 5,14 10900 NLC1-D065 65 1500
37 68 PRS2 037 5,14 12400 NLC1-D080 80 2000
45 80 PRS2 045 5,14 14550 NLC1-D095 95 2500
55 98 PRS2 055 5,17 19900 NLC1-D0115 115 3300
75 128 PRS2 075 5,17 25800 NLC1-D0150 150 4500
90 160 PRS2 090 17,9 32700 NLC1-D0170 170 5900
115 190 PRS2 115 17,9 37100 NLC1-D0205 205 7100
132 236 PRS2 132 17,9 41300 NLC1-D0245 245 9600
160 290 PRS2 160 17,9 48900 NLC1-D0300 300 11500
200 367 PRS2 200 28,3 56100 NLC1-D0410 410 14900
250 430 PRS2 250 28,3 64900 NLC1-D0475 475 18900
320 547 PRS2 320 28,3 77900 NLC1-D0620 620 24800
400 725 PRS2 400 28,3 90800
500 915 PRS2 500 30 130400